News

News

专业、创新、精准、可靠是每一个容测人的价值观,愿我们携手共赢!

  • <b>导致浪涌冲击抗扰度试验失败的原因及采取的措施有哪些?</b>

    导致浪涌冲击抗扰度试验失败的原因及采取的措施有哪些?

    浪涌(冲击)抗扰度试验是电子电器产品电磁兼容试验中的一个基本检验项目,用于评价电子电气设备在遭受浪涌(冲击)时的性能。在进行浪涌冲击抗扰度试验时需要使用雷击浪涌发生器特性应尽可...

    2020-12-07
  • <b>IEC61000-4-5标准浪涌抗扰度试验分哪两种?试验中要注意哪些?</b>

    IEC61000-4-5标准浪涌抗扰度试验分哪两种?试验中要注意哪些?

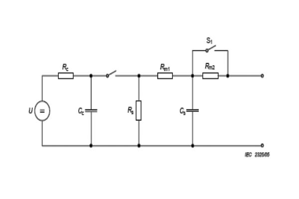
    不同的电子、电气产品标准对浪涌(冲击)抗扰度试验的要求是不同的,,按照IEC61000-4-5(GB/T17626.5)标准的要求分别模拟在电源线上和通信线路上的雷击浪涌试验。由于线路的阻抗不一样,...

    2020-12-07
  • <b>如何有效处理脉冲群发生器干扰问题?</b>

    如何有效处理脉冲群发生器干扰问题?

    在使用脉冲群发生器的过程中有时会遇到过脉冲群发生器出现干扰的问题,当我们遇到干扰问题时该如何解决这项难题呢?下面小编就给大家讲一讲脉冲群发生器干扰的通用处理方法。...

    2020-12-07
  • <b>雷击浪涌发生器工作原理及应用范围</b>

    雷击浪涌发生器工作原理及应用范围

    雷击浪涌发生器的工作原理:开关瞬态的产生与以下因素有关:主电源系统切换、配电系统内在仪器附近的轻微开关动作或负荷变化、与开关装置有关的谐振电路及各种系统故障,如设...

    2020-12-07
  • <b>照明产品雷击浪涌测试标准及方法</b>

    照明产品雷击浪涌测试标准及方法

    CE是一种安全认证标准,被视为制造商打开并进入欧洲市场的护照。而电磁兼容(EMC)测试则是CE认证中重要一块测试。本文则主要讨论雷击浪涌测试标准及方法。...

    2020-12-05
  • <b>电快速瞬变脉冲群抗扰度测试常见问题分析及改进建议</b>

    电快速瞬变脉冲群抗扰度测试常见问题分析及改进建议

    电快速瞬变脉冲群抗扰度试验脉冲的特点是:瞬变脉冲上升时间短、重复出现、能量低。该试验的目的就是为了检验手机在遭受这类暂态骚扰影响时的性能。一般认为电快速瞬变脉冲群之所以会...

    2020-12-03
  • Phone:0731-85119779
  • Changsha headquarters:湖南·长沙市岳麓区麓谷企业广场B1栋6楼
  • Shenzhen Service Point: Room 613, Building 2, Jiufang Plaza, Tiezai Road, Gongle Community, Xixiang Street, Bao'an District, Shenzhen
  • Shanghai Service Point: Room 4-2B, 4th Floor, Building 3, No. 516 Huachuan Road, Baoshan District, Shanghai
  • Chengdu Service Point: Room 2207, T2 Office Building, Xiangnian Plaza, No. 88 Jitai 5th Road, Wuhou District, Chengdu City

Friendship link: 电极限 | emc测试设备 | 电磁兼容工程师网 |

欢迎来到长沙容测电子股份有限公司
欢迎来到长沙容测电子股份有限公司
Please leave your message, we will reply to you as soon as possible
  • *
  • *
  • *
  • *