Automobile EMC

Automotive EMC

  • <b>汽车行业成功实现EMC测试的10个技巧</b>

    汽车行业成功实现EMC测试的10个技巧

    汽车工业和每个汽车企业都必须满足各种电磁兼容性(EMC)规定和EMC测试。例如,有两个要求是确保电子系统不会造成太多干扰信号(EMI)或者噪音,它必须能够避免其他软件产生的噪...

    2023-04-11
  • <b>日产汽车电子EMC测试标准解读——瞬态传导免疫和电性能测试与ISO国际标准的对</b>

    日产汽车电子EMC测试标准解读——瞬态传导免疫和电性能测试与ISO国际标准的对

    日产汽车电子EMC测试标准目前按照的是28401NDS02 [5],涉及瞬态传导免疫和电性能测试的项目,与对应的国际标准ISO7637、ISO16750-2比照,既有沿用的;也有日产只借鉴部分,在要求上作出差异...

    2023-04-11
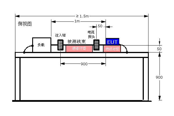
  • <b>汽车大电流注入BCI测试项目</b>

    汽车大电流注入BCI测试项目

    近几年随着汽车向电动化、智能化和网联化方向发展,汽车有限的空间内集成了越来越多的电子设备,这些电子设备也带来越来越多的电磁兼容问题。为了应对电磁兼容问题,电子零部...

    2022-11-21
  • <b>汽车电子启动特性测试</b>

    汽车电子启动特性测试

    汽车电子启动特性测试时,首先要明确DUT的供电电压分类范围等级、测试严酷度等级,然后评价EUT在试验中和试验后的功能状态分级。...

    2022-09-27
  • <b>汽车零部件电磁兼容整改案例解析</b>

    汽车零部件电磁兼容整改案例解析

    汽车电子零部件EMC测试失败时有发生,发射测试的失败经常困扰着现场跟进的工程师们,电磁发射看不见摸不着,怎么快速定位引起发射失败的干扰源,下面小编邀请TV莱茵汽车安全检测...

    2022-09-05
  • <b>对于车企来讲,汽车EMC实验室建设有无必要性?</b>

    对于车企来讲,汽车EMC实验室建设有无必要性?

    国外任何电子产品在应用到汽车上之前,都必须经过性能试验和EMC试验;在商业化之前必须经过各项严格的匹配试验和最为关键的EMC认证。汽车EMC实验室所必须的半电波暗室,简称暗室...

    2022-08-09
  • Phone:0731-85119779
  • Changsha headquarters:Luzhu Enterprise Plaza, Building B1, 6th Floor, Yueliu District, Changsha City, Hunan Province
  • Shenzhen Service Point: Room 613, Building 2, Jiufang Plaza, Tiezai Road, Gongle Community, Xixiang Street, Bao'an District, Shenzhen
  • Shanghai Service Point: Room 4-2B, 4th Floor, Building 3, No. 516 Huachuan Road, Baoshan District, Shanghai
  • Chengdu Service Point: Room 2207, T2 Office Building, Xiangnian Plaza, No. 88 Jitai 5th Road, Wuhou District, Chengdu City

Friendship link: 电极限 | emc测试设备 | 电磁兼容工程师网 |

Welcome to Changsha Rongce Electronic Co., Ltd.
Welcome to Changsha Rongce Electronic Co., Ltd.
Please leave your message, we will reply to you as soon as possible
  • *
  • *
  • *
  • *