近几年随着汽车向电动化、智能化和网联化方向发展,汽车有限的空间内集成了越来越多的电子设备,这些电子设备也带来越来越多的电磁兼容问题。为了应对电磁兼容问题,电子零部件在装上整车前必须进行电磁兼容测试。其中大电流注入(Bulk Current Injection,BCI)法因仅需在屏蔽室内进行,成本较必须在电波暗室进行的辐射抗扰度低得多,同时不侵入被测设备的特点,成为电子部件验证的必选方法。
大电流注入(BCI)法是使用电流注入探头将骚扰信号直接耦合到线束上进行抗扰度试验的一种方法。注入探头为电流互感器,被测装置(EUT)的线束穿过其中。通过改变试验严酷等级和感应骚扰的频率进行抗扰试验。
【汽车大电流注入BCI测试试验方法】
采用大电流注入法进行抗扰度测试的测试方法一般分为替代法和闭环法。
替代法是指在使用电流注入钳校准装置得到相应测试电平对应的信号源电平后,测试时,直接输出信号源电平。要求在离EUT 150mm、450mm和750mm等三个位置,放置注入钳进行测试。如图一所示。

图一 BCI试验布置-替代法
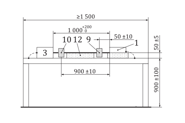
闭环法是指:在使用电流注入钳校准装置得到相应测试电平对应的信号源电平后(记录此时的净功率为校准功率),测试时,使用电流探头监视实际注入的电流,如果注入功率比校准功率大4倍,测量到的注入电流还是没有达到标准规定的电流,就停止加大注入功率。要求注入钳放置在距离EUT 900mm 处,电流探头在50mm 处。如图二所示。

图二 BCI试验布置-闭环法
替代法和闭环法存在以下差异:
A, 替代法的试验线束长度为1700mm,闭环法的试验线束长度为1000mm;
B, 替代法的电流注入位置为150mm、450mm、750mm,而闭环法的电流注入位置为900mm;
C, 闭环法必须使用电流监测探头,探头位于50mm处,而替代法测试中一般不使用电流监测探头;
D, 替代法是一种基于给定注入功率的开环测试,而闭环法则是通过电流监测探头实时监测的闭环测试。
【汽车大电流注入BCI测试试验装置】
该试验需在屏蔽室中进行,所需的主要试验设备有:信号源(带调制功能)、功率放大器、功率计、人工电源网络、电流注入探头、电流注入探头校准夹具、电流监测探头等。图三为测试系统连接框图。

图三 BCI测试系统连接框图
【试验布置】
在测试平台的布局中,被测设备及线束放在接地平板上方50mm处,其中,接地平板应采用至少0.5mm 厚的铜板、黄铜或者镀锌钢板。最小宽度为1000mm,最小长度为 2000mm,或者比整个设备的各边大200mm,取两者中尺寸较大的平板。接地平板(试验台)的高度应位于地面上(900±100)mm 处,接地平板与屏蔽壳体电气搭接,接地铜带之间的距离为300mm,直流电阻不得超过2.5mΩ。在线束和铜板之间由厚度为50mm,相对介电常数(≤ 1.4)的材料作为支撑。电源通过两个人工源网络给被测设备供电,其中,一个人工源网络与电源的正极相连,另一个与电源的负极相连。图四、图五为试验布置图。

图四 试验布置-侧视图

图五 试验布置-俯视图
【汽车大电流注入BCI测试试验过程】
5.1 替代法试验过程
替代法使用前向功率做为校准和测试的参考基准,使用未调制的正弦波进行校准。
5.1.1 校准
根据规定的试验等级(电流)进行校准,记录各个试验频率下在50Ω校准夹具上产生规定电流所需的前向功率。校准夹具的一端连接50Ω负载(大功率),另一端连接50Ω射频功率计,并串接相应功率的50Ω衰减器来保护功率计。在夹具上施加试验信号电平并记录相应的前向功率。这种方法标定了试验前大电流注入系统预定功率和电流的关系。如图六所示。

图六 替代法校准布置
5.1.2 测试
在对连接线束后的EUT进行测试时,把预定功率施加到注入探头里。应注意,监测到的用于注入探头的功率为预定功率。测试布置依据图一所示。
5.2 闭环法试验过程
闭环法使用前向功率做为校准和测试的参考基准,使用未调制的正弦波进行校准。
5.2.1 校准
用于确定EUT测试的功率限值。根据规定的试验等级(电流)在测试前进行校准, 确定各个试验频率在50Ω校准夹具上产生规定电流所需的前向功率。校准夹具的一端连接50Ω负载(大功率),另一端连接50Ω射频功率计,并串接相应功率的50Ω衰减器来保护功率计。在夹具上施加试验信号电平并记录相应的前向功率。这种方法标定了试验前大电流注入系统预定功率和电流的关系。如图六所示。
5.2.2 测试
测试时,使用电流探头监视实际注入的电流,如果注入功率比校准功率大4倍,测量到的注入电流还是没有达到标准规定的电流,就停止加大注入功率。测试布置依据图二所示。
长沙容测电子有限公司致力于电磁兼容测试设备的研发以及电磁兼容测试技术的推广普及,全力为客户提供专业的EMC测试产品和解决方案。
我们的产品:
民用领域:静电放电发生器、脉冲群发生器、雷击浪涌测试仪、射频传导抗干扰测试系统、工频磁场发生器、脉冲磁场发生器、阻尼振荡磁场发生器、交流电压跌落发生器、振铃波发生器、共模传导抗扰度测试系统、阻尼振荡波发生器、直流电压跌落发生器等
汽车领域:静电放电发生器、7637测试系统、汽车电子可编程电源、瞬态发射开关测量、汽车线束微中断发生器、BCI大电流注入测试系统、EMI接收机、辐射抗扰度测试系统、低频磁场抗扰度测试系统、射频辐射抗扰度测试系统等
军工领域:静电放电发生器、低频传导抗扰度测试系统、尖峰脉冲发生器、电缆束注入测试系统、快速方波测试系统、高速阻尼振荡测试系统等
