一、 电机驱动原理分析
1.1
电机定义
电机俗称"马达",是指依据电磁感应定律实现电能转换或传递的一种电磁装置,分为电动机和发电机。

▲ 常见电机

▲ 电机主要分类

▲ 电机的应用场景

▲ 电机的理论基础
归根结底:电生磁、磁生电,电场与磁场,场与路的问题。

▲ 三相交流电机的运行原理

▲ 有刷电机与无刷电机
1.2
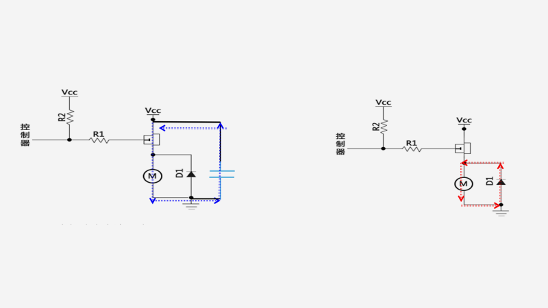
单项电机驱动电路
原理图说明:通过控制开关Q1来控制电机转停;D2为续流二极管,在Q1开关管关断瞬间提供续流环路;C1、R4组成RC吸收电路,吸收Q1开关管关断瞬间D极的电压尖峰,改善电硬力;

▲ 单项电机原理图
1.3
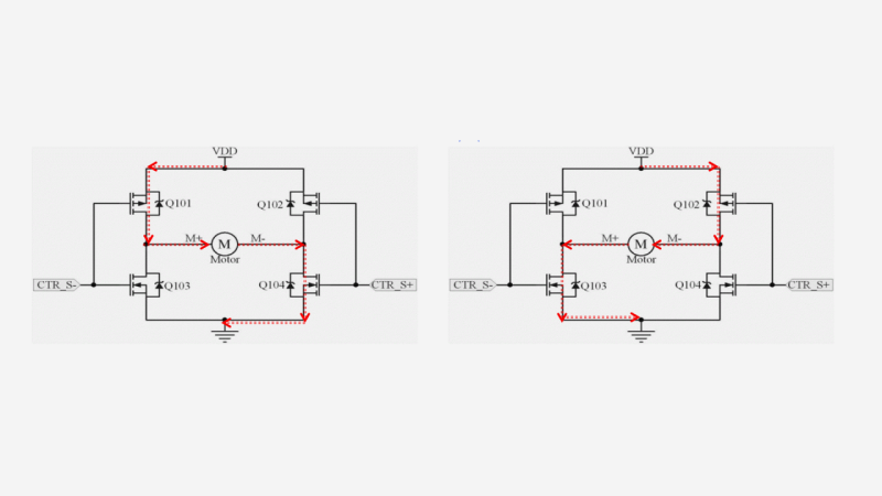
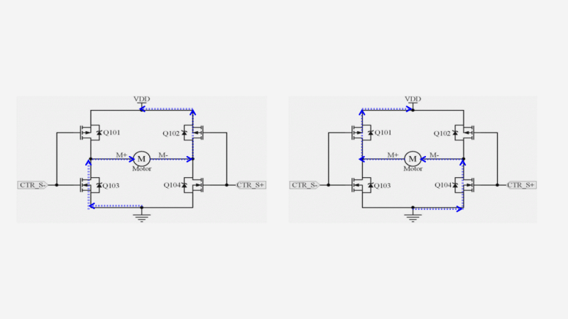
三相电机驱动电路
原理图说明:通过控制开关VT1、VT2、VT3、VT4、VT5、VT6来控制电机转停,转向;开关管D-S极间并联二极管,主要是在开关管关断瞬间提供续流环路;驱动芯片采用MCU芯片或者DSP芯片来实现驱动控制逻辑。

▲ 三相电机驱动电路

▲ 三相电机驱动电路原理框图(一)

▲ 三相电机驱动电路原理框图(二)

▲ 三相电机驱动电路原理框图(三)
二 、 电机电路EMC问题产生机理分析
2.1
EMC问题产生原因分析
功率开关器件的开关噪声;续流二极管反向恢复电流噪声;驱动信号本身叠加噪声;电机抽载引起电源电流噪声;驱动信号受抗扰度噪声干扰引起的误控制;

左图:电机功率电流环路
右图:电机功率续流电流环路

左图:电机功率电流环路(一)
右图:电机功率电流环路(二)

左图:续流电流环路(一)
右图:续流电流环路(二)

▲ 电机功率电流环路分析图
2.2
寄生电流环路分析
功率器件散热片寄生电流环路:功率开关器件的散热片,与功率器件之间分布电容;散热片与参考地平面之间的分布电容,为高频噪声电流提供了耦合路径。
减小功率器件与散热片之间的分布电容,降低散热片对地的分布电容,可以有效降低此路径的高频噪声电流。

▲ 寄生电流环路分析(一)
功率器件开关动点寄生电流环路:功率开关器件的开关动点,是电场变化(dv/dt),磁场变化(di/dt)的关键点,其对参考地平面分布电容同样是高频噪声耦合的最要路径;控制动点面积,可以降低对参考地分布电容,降低共模电流。
动点经过电机与参考地之间分布电容,为高频噪声电流提供耦合路径。

▲ 寄生电流环路分析(二)
2.3
控制电路环路分析
①驱动信号环路
②电流采样信号环路
③运放控制信号环路
④霍尔位置检测信号环路
⑤控制芯片供电电源环路
⑥控制芯片通讯信号环路
雷击浪涌
电快速脉冲群
静电放电
射频辐射抗扰度
辐射发射
2.4
噪声源分析(一)
功率器件开关噪声:逆变电路根据其工作原理可知,存在MOS管导通构成的电流环路,以及体二极管构成的续流环路,其主要噪声来源于功率开关器件的开关噪声:开关MOS管、体二极管(或者续流二极管)

▲ 噪声源分析(一)
驱动信号叠加啊噪声:功率器件开关控制通常是开关控制IC完成,开关频率、占空比、驱动信号幅度、驱动信号本身携带噪声情况都由芯片选型确定。
在性能指标允许的情况下选择开关频率较低、驱动信号幅度小、噪声干扰小的控制芯片,EMC测试则更容易通过。

▲ 噪声源分析(二)
寄生振荡噪声:功率开关器件本身的寄生电容充放电时就会产生电流振荡,其di/dt如果不加以限制就会引起严重的辐射发射问题。
功率开关器件本身的寄生电容与PCB布线寄生电感形成的高频振荡也是导致辐射发射问题的重要原因之一。

▲ 噪声源分析(三)
电刷产生的高频噪声:换向器由换向片构成,换向片上放着一对固定不变的电刷,当转子旋转时,电驱绕组通过换向片和电刷与电路接通。
由于流向转子绕组的电流通过换向片与电刷与电源直接连接或断开,电刷处由于转子绕组中的电流周期中断而产生电弧。这个电弧有很高的频谱成分,易于造成辐射发射问题。

▲ 噪声源分析(四)
2.5
噪声源耦合路径分析

▲ 差模耦合路径(传导发射主要路径之一)

▲ 共模耦合路径(高频噪声耦合路径)
2.6
噪声源耦合路径中影响因素分析
系统参考地与PE地连接对噪声耦合的影响:在电源端传导测试时,经常遇到去掉PE地线低频端传导改善非常明显,主要原因是PE地与参考地平面直接连接时,实际上是降低共模阻抗,使流过LISN上的共模电流更大。
PE地断开时,实际上是增大共模阻抗,使流过LISN上的共模电流更小。

▲ 噪声源耦合路径中影响因素分析(一)
系统参考地与电机金属壳体连接对噪声耦合的影响:在辐射发射整改过程中,经常会发现将电机金属外壳与系统参考地平面进行低阻抗搭接后,对30MHz~300MHz频段内噪声辐射改善非常明显。
分析主要原因是电机金属外壳接地,增大电机与参考地之间的分布电容,为共模噪声回流到源端提供了低阻抗路径;增大分布电容,实际上也降低了动点对参考地之间的共模电压。

▲ 噪声源耦合路径中影响因素分析(二)
电源滤波器接地对噪声耦合的影响:
电源滤波器、系统参考地平面共地,PE地不共地或者通过器件接地。(电源端传导结果优,辐射发射测试结果相对较优)
电源滤波器、PE地共地,系统参考地平面不共地或者通过器件接地。(电源端传导结果差,辐射发射测试结果相对较差)
电源滤波器、PE地、系统参考地平面共地。(电源端传导结果中等,辐射发射测试结果中等)
电源滤波器、PE地、系统参考地平面都不共地。(电源端传导结果非常差,辐射发射测试结果非常差)

▲ 噪声源耦合路径中影响因素分析(三)
版权声明:文章整理于电极限“2024新电子电磁兼容与电源技术应用创新峰会·郑州站”演讲课件内容摘要,推送文章目的在于传播相关技术知识,供读者学习和交流!欢迎大家点赞、收藏、转发分享,一起交流进步!
长沙容测电子股份有限公司致力于电磁兼容测试设备的研发以及电磁兼容测试技术的推广普及,全力为客户提供专业的EMC测试产品和解决方案。
我们的产品:
民用领域:静电放电发生器、脉冲群发生器、雷击浪涌发生器、射频传导抗干扰测试系统、工频磁场发生器、脉冲磁场发生器、阻尼振荡磁场发生器、交流电压跌落发生器、振铃波发生器、共模传导抗扰度测试系统、阻尼振荡波发生器、直流电压跌落发生器等
汽车领域:静电放电发生器、7637测试系统、汽车电子可编程电源、瞬态发射开关测量、汽车线束微中断发生器、BCI大电流注入测试系统、EMI接收机、辐射抗扰度测试系统、低频磁场抗扰度测试系统、射频辐射抗扰度测试系统等
军工领域:静电放电发生器、低频传导抗扰度测试系统、尖峰脉冲发生器、电缆束注入测试系统、快速方波测试系统、高速阻尼振荡测试系统等
