RCD电路EMC问题分析与调试
3.1
有刷电机EMC问题产生原因分析
电机在工作过程中换向器不停地转动,在这个过程中换向片与碳刷之间会不停地快速摩擦,进而产生拉电弧现象,电弧产生高频噪声,高频噪声通过电机引线和电机缝隙向外辐射。

一般电机都有金属外壳,可以对电机内部通过空间辐射的噪声进行屏蔽和吸收,但是通过电机引线辐射出来的噪声,需要考虑对电机引线进行滤波处理,抑制通过线缆耦合的噪声发射。

▲ 有刷电机噪声耦合路径深入分析
差模噪声耦合路径
共模噪声耦合路径

▲ 有刷电机噪声抑制技巧
差模噪声旁路
共模噪声旁路
共模噪声衰减
差模噪声衰减

▲ 有刷电机辐射发射问题调试案例

左图 | 辐射发射测试数据(天线水平方向)
右图 | 辐射发射测试数据(天线垂直方向)
问题解决方案:①有刷电机采用金属屏蔽,屏蔽体外壳接参考地;②在靠近电机输入引脚并联RC吸收电路;③在电机驱动线上增加共模电感。
3.2
无刷电机EMC问题产生原因分析

▲ 无刷电机EMC问题产生原因分析
无刷电机EMC问题产生原因分析:①功率器件开关噪声;②续流二极管开关噪声(体二极管);③电机启停、反转瞬态线圈产生的电压尖峰;④寄生振荡噪声;⑤驱动信号叠加噪声;⑥驱动信号环路噪声;⑦控制信号受到干扰;
3.3
单相无刷电机噪声耦合路径深入分析

▲ 单相无刷电机噪声耦合路径深入分析
差模噪声耦合路径
共模噪声耦合路径

▲ 单相无刷电机噪声抑制技巧
差模噪声旁路
共模噪声旁路
共模噪声衰减
差模噪声衰减
3.4
三相无刷电机噪声耦合路径深入分析

▲ 三相无刷电机噪声耦合路径深入分析
差模噪声耦合路径
共模噪声耦合路径(分布参数的影响)

▲ 三相无刷电机噪声抑制技巧
3.5
三相伺服电机辐射发射问题调试案例
案例现象描述:三相直流伺服电机电驱模块电路,低频辐射测试时发现56MHz、76MHz频点超标。144MHz频点不满足6dB余量管控标准

▲ 测试数据,如图所示
案例现象描述:三相直流伺服电机电驱模块电路,低频辐射测试时发现56MHz、76MHz频点超标。144MHz频点不满足6dB余量管控标准,测试数据如上图所示。

▲ 三相伺服电机辐射发射问题调试案例

▲ 三相伺服电机辐射发射问题调试案例

▲ 三相伺服电机辐射发射问题调试案例
问题解决方案:①在电机驱动IGBT管的控制芯片输出引脚增加0.01uF滤波电容;②PCB Layout时将驱动信号滤波电容的接地端回流到驱动芯片的参考地;③使驱动芯片输出噪声以最短路径、最小环路面积回流到源端。
3.6
冰箱产品功率骚扰问题调试案例
案例现象描述:某款冰箱产品使用变频压缩机,功率骚扰测试发现多个频点AVG、QP值均不满足6dB余量管控要求。

▲ 冰箱产品功率骚扰问题调试案例

▲ 具体的功率骚扰测试数据如图所示

▲ 冰箱产品功率骚扰问题调试案例
问题解决方案:①在电机驱动IGBT下管增加RC吸收电路;②通过RC吸收电路提供高频噪声的旁路,缩小信号环路面积;③在电机驱动输出信号线缆上增加三线共模电感、在AC输入端增加共模电感、磁环均可。
3.7
三相电机电源端传导骚扰问题调试案例
案例现象描述:某款三相直流电机驱动模块,电源端传导骚扰测试发现多个频点AVG值不符合余量管控要求。

▲ 三相电机电源端传导骚扰问题调试案例

▲ 具体的传导测试数据,如图所示
问题解决方案:①在电源输入端滤波电路中增加差模电感,组成π型差模滤波电路;②经过飞线验证试验确认,差模电感感量≧4uH就可以满足余量管控标准。
四、电机驱动模块EMC设计要点说明
4.1
单项电机驱动电路EMC设计
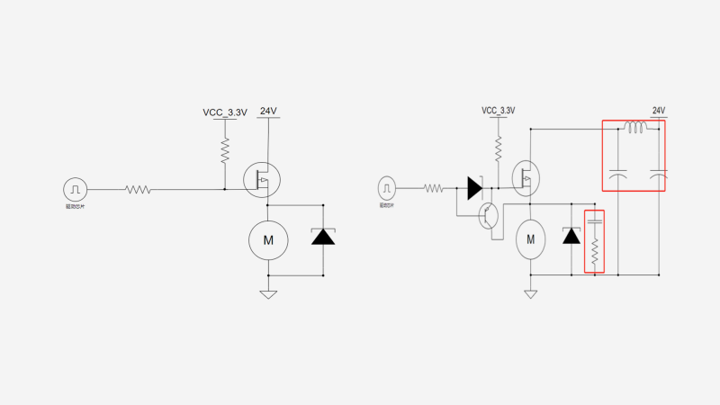
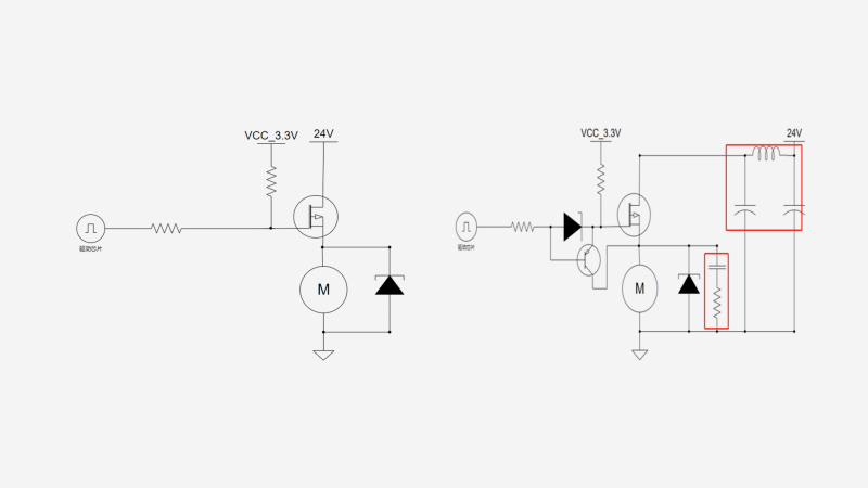
电机电路EMC设计要点说明(一):①供电电源增加滤波电路;②续流二极管增加RC吸收;③驱动电路增加快速放电电路;

▲ 单项电机驱动电路EMC设计

▲ 单项电机驱动电路EMC设计
4.2
双向电机驱动电路EMC设计
电机电路EMC设计要点说明(二):①供电电源高频旁路设计;②功率开关器件增加RC吸收;③电机输入端并联RC吸收电路;④电机连接线增加共模电感;⑤驱动模块供电电源增加滤波电路(可选);

▲ 单项电机驱动电路EMC设计
4.3
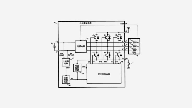
三相电机驱动电路EMC设计
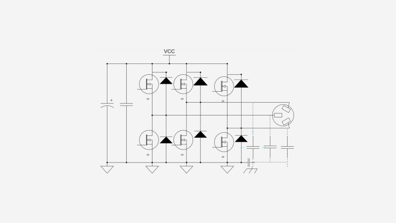
电机电路EMC设计要点说明(三):①供电电源高频旁路设计;②功率开关器件增加RC吸收;③电机连接线增加三线共模电感;④驱动模块供电电源增加滤波电路(可选);⑤驱动模块输出增加滤波器;

▲ 三相电机驱动电路EMC设计
4.4
电机驱动电路器件选型说明
电机电路EMC设计要点说明(四):①驱动芯片选型、功率器件选型;②驱动信号设计;③过流检测、位置检测;④通讯信号;⑤ 电机选型;

▲ 电机驱动电路器件选型说明
4.5
电机驱动电路PCB设计要点说明
电机电路PCB布局要点说明:①驱动芯片靠近功率开关器件,缩短驱动信号布线;②高频旁路电容靠近功率开关的上管D极与下管S极;③输出滤波电路靠近功率开关器件放置;④过流检测运放芯片靠近功率开关器件放置;⑤后端控制MCU芯片或者DSP芯片靠近运放放置;⑥控制信号、通讯信号滤波器件靠近端口放置;

▲ 电机驱动电路PCB设计要点说明
4.6
电机驱动电路PCB布线设计要点说明
电机电路PCB布线EMC设计要点说明:①主功率环路面积保持最小化设计;②高频旁路环路面积最小化设计;③驱动信号环路面积最小化设计;④RC吸收电路环路面积最小化设计;⑤控制信号环路面积最小化设计;⑥参考地平面完整行设计;PCB布线寄生电感最小化控制;

▲ 电机驱动电路PCB布线设计要点说明
4.7
电机驱动线缆设计
电机驱动线缆设计:①长度最短化设计;②线缆屏蔽设计;③线缆增加滤波器(磁环);④线缆绞线设计;

▲ 电机驱动线缆设计
4.8
电机模块结构设计要点说明
电机模块结构设计要点说明:①屏蔽设计(尤其是有刷电机);②电机金属外壳接地设计;③电机驱动模块接地设计;④电机系统屏蔽设计;⑤滤波器安装设计;

▲ 电机模块结构设计要点说明
4.9
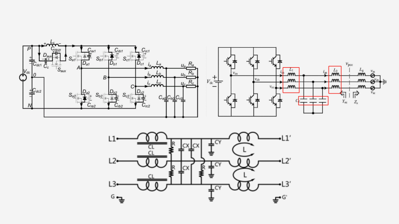
电机模块+驱动电路整合设计

▲ 电机模块+驱动电路整合设计
版权声明:文章整理于电极限“2024新电子电磁兼容与电源技术应用创新峰会·郑州站”演讲课件内容摘要,推送文章目的在于传播相关技术知识,供读者学习和交流!欢迎大家点赞、收藏、转发分享,一起交流进步!
