浪涌(冲击)抗扰度试验
概述
电路在遭雷击和在接通、断开电感负载或⼤型负载时通常会产生很高的操作过电压,这种瞬时过电压称为浪涌电压,是⼀种瞬间高能量的脉冲干扰。如果设备前端不加以吸收,很容易造成产品后端的电路烧毁。本项测试考验产品后端的防护装置能否承受浪涌冲击。
符合标准
·IEC 61000-4-5 ·GB/T 17626.5
测试的要求
要确保浪涌测试的准确性和可靠性,必须遵循以下基本要求:
■符合国际标准:浪涌测试应符合IEC 61000-4-5等国际标准的规定,以确保测试结果具有可比性和通用性。
■测试环境:测试应在实验室或合适的测试环境中进行,确保环境条件如温度、湿度和电磁干扰等不会影响测试结果。
■全面评估:应对设备的不同接口和电源线路进行全面测试,以评估其在各种可能的浪涌条件下的耐受能力。
■详细记录:测试过程中应详细记录测试参数、测试结果和测试过程,以便后续分析和判断设备的性能。
设备组成
设备电源端口:雷击浪涌发⽣器+隔离变压器
设备信号端口:雷击浪涌发⽣器+信号线耦合去耦网络
设备信号端口:通讯波浪涌发⽣器+信号线耦合去耦网络
ES-516A 单相雷击浪涌发生器
ES-506AT 通讯波浪涌发⽣器
隔离变压器

ES-CDN-508 非屏蔽对称线耦合去耦网络
ES-CDN-508A 非屏蔽非对称线耦合去耦网络
试验等级的范围

试验用发生器及波形的验证
■1.2/50组合波波形(1.2/50、8/20μs)产生电路

■10/700组合波波形(10/700、5/320μs)产生电路

■开路电压波(1.2/50μs)

■开路电压波(10/700μs)

■短路电流波(8/20μs)

■短路电流波(5/320μs)

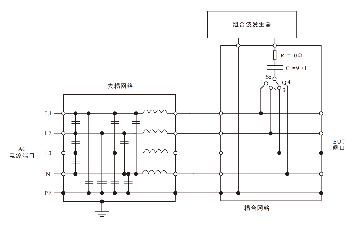
用于交流线上电容耦合的CDN 示例
■用于交流线上电容耦合的CDN 示例∶线-线耦合

■用于交流线上电容耦合的CDN 示例∶线-地耦合

雷击浪涌发生器实测波形
室内常见浪涌组合波形


通讯波浪涌波形

▲相位角0°浪涌干扰波形

▲相位角90°浪涌干扰波形

▲相位角180°浪涌干扰波形

▲相位角270°浪涌干扰波形

结语
浪涌抗扰度试验是确保设备在电气环境中能够抵御高能量瞬态干扰的重要测试。通过严格执行测试流程和分析测试结果,可以有效提高设备的抗扰能力,确保其在实际应用中的稳定性和可靠性。




