一、反激式开关电源工作原理
1.1 反激式开关电源定义
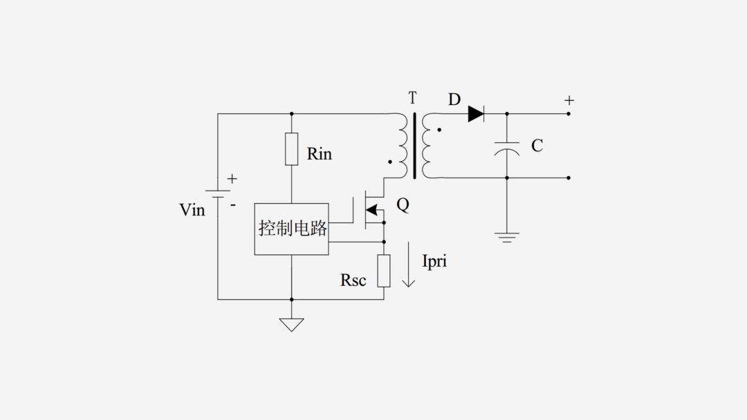
返驰式(Fly Back)转换器又称单端反激式,或称"Buck-Boost"转换器,因其输出端是在原边MOS管关断时获取能量,故而得名。

工作原理:
a. 因变压器原、副边相位相反,原边MOS开通时,次级二极管D反向截止,Vin直接作用于原边电感,储存能量。

b. 原边MOS管关断时,次级二极管D导通,储存在原边电感中的能量耦合到次级,给负载供电的同时给电容充电。
1.2 工作电流模式:
BCM模式:若在每个开关周期开始或结束时,反激变压器原边励磁电感所储存的能量刚好释放到0(对应的其内部的最小磁通也刚好为0),那么此时电源工作在BCM模式下。
CCM模式:若在每个开关周期开始或结束时,反激变压器原边励磁电感中最小磁通不为0,那么电源工作在CCM模式下,此时反激变压器励磁电感还有残余能量储存;
从电流波形上来看,励磁电感中持续有电流流过,即反激变压器励磁电感中磁通持续存在,采用CCM模式可以有效降低开关管的电流应力,但需要较大的电感量。
DCM模式:若在每个开关周期开始或结束时,反激变压器原边励磁电感中最小磁通已经为0,那么电源工作在DCM模式下,此时反激变压器励磁电感储存的能量完全释放掉;

▲ DCM模式电压电流波形
从电流波形上来看,励磁电感中有一定时间内无电流流过,即反激变压器励磁电感中磁通在一定时间内消失,只有反激变压器原边漏感中存在磁通,励磁电感失去箝位作用,励磁电感感量与开关管D-S极间电容会产生LC振荡,振荡频率由励磁电感感量与开关MOS管D-S极电容共同决定。
1.3 电流环路分析
①:原边MOS管开通环路
②:原边MOS管RC吸收电流环路
③:原边MOS管驱动电流环路
④:副边整流二极管电流环路
⑤:原边RCD吸收电流环路
⑥:原边RCD吸收 二极管反向恢复电流环路
⑦:原边辅助绕组整流电流环路
⑧:副边整流二极管反向恢复环路

▲ 实际应用电路电流环路分析
原副边高频电流耦合环路:
从理论上讲反激变压器可以隔离初次级之间的耦合,实际上由于绕组之间的寄生电容的存在,以及原副边寄生电容的存在,初次级之间存在容性耦合。由于变压器漏感的存在,初次级线圈之间也存在互感,即感性耦合,初次级之间的高频耦合如红色虚线部分所示。

初次级Y电容:为原副边耦合的高频噪声电流提供最短的回流路径,同时也产生高频噪声电流环路。
1.4 寄生电流环路分析
原边MOS管寄生电流环路:开关MOS管的散热片悬空时,开关MOS管与其散热片之间的分布电容,散热片与参考地(PE地)之间的分布电容,串联起来构成高频电流环路。
传导测试时,高频电流在机台接PE地线时流过LISN,被检测到。同时,高频电流路径也为高频噪声辐射提供了耦合路径。

MOS管D极对大地或者对次级地之间分布电容为高频噪声提供耦合路径,理论说降低D极布线长度或者减小D极散热面积,可以降低此高频电流。
1.5 开关噪声
开关MOS管开关过程中产生的开关噪声、高次谐波噪声是电源端传导测试超标频点的主要源头,设计时应采取措施加以管控。

1.6 寄生振荡干扰源(一)

原边漏感振荡:反激MOS管关断,副边整流二极管导通时,原边的励磁电感被箝位,原边漏感LEP的能量通过MOS管寄生电容CDS进行放电,主放电回路为LEP -CDS -RS-大电解-LEP,此时产生振荡的频率为:

原边励磁电感振荡:反激式MOS管关断,副边二极管由通转向关断,原边励磁电感被释放,CDS和原边电感的杂散电容为并联状态,再和原边电感LP(励磁电感+漏感之和)发生振荡,放电回路同样为LEP -CDS -RS-大电解-LEP,振荡频率为:

寄生振荡干扰源(二)
整流二极管导通、关断时,具有很宽的频谱含量,开关频率及其谐波本身就是较强的干扰源。原边反激MOS管导通,次级整流二极管关断时,副边励磁电感被钳制,副边漏感 LEs和二极管杂散电容CJ发生振荡,其振荡频率为:

反激式MOS 管关断,副边二极管由通转向关断,原边励磁电感被释放,CDs和原边电感的杂散电容为并联状态,再和原边电感LP(励磁电感+漏感之和)产生的振荡噪声,通过变压器耦合到次级,形成共模电流环路。
寄生振荡干扰源(三)
开关电源工作频率的高次谐波是产生辐射的根源,是万恶之源。

高频寄生振荡才是辐射噪声产生的根源。

寄生振荡干扰源(四)
反激电路主要高频寄生振荡

①. 初次级跨接Y电容与寄生电感
②. 原边MOS管寄生电容与寄生电感
③. 原边MOS管寄生电容与变压器原边漏感
④. 次级整流二极管与次级漏感
⑤. RCD吸收二极管寄生电容与寄生电感
⑥. 辅助绕组整流二极管寄生电容与寄生电感
⑦. MOS管RC吸收电容与寄生电感
⑧. MOS管散热片分布电容与寄生电感
⑨. L、N线Y电容与寄生电感
版权声明:文章整理于“电极限2024新电子电磁兼容与电源技术创新峰会郑州站”演讲课件内容摘要,推送文章目的在于传播相关技术知识,供读者学习和交流!欢迎大家点赞、收藏、转发分享,一起交流进步!
