1、前言
传导骚扰测试(Conducted Emission),简称CE测试,通常也会被称为传导发射测试或骚扰电压测试等。
按照导体的性质,我们通常将传导骚扰分为:电源端传导骚扰、电信端传导骚扰。电源端口,一般使用线性阻抗稳定网络LISN(Line Impedance Stabilization Network)即可完成测量。而电信端口,因电缆类型种类繁多,故需要使用到不同的测量仪器和采用不同的试验(布置)方法。
2、电信端口传导骚扰测量有哪些方法
电信端口传导骚扰测量常用的试验方法有三种:电压法、电流法、电压&电流法。接下来针对三种测试方法分别作介绍。
2.1 电压法
R 电压法适用于哪些线缆
电压法通常适用于非屏蔽平衡线(小于等于4对线)、屏蔽/同轴线。
R 测试方法简述
在被测端口(电缆)中插入ISN,ISN拾取受试量电缆上的共模骚扰电压,传输至接收机,最终测量电压值与电压限值进行比较,判断是否满足标准法规要求。
计算公式如下:
V=U+ F
式中:
V为最终测量共模骚扰电压,单位为dBuV;
U为端口测量电压,单位为dBuV;
F为ISN分压系数,通常为9.5dB或34dB;
R 试验布置
1-台式设备40cm,立式设备不大于15cm
2-AE距离GRP距离不做硬性规定

图1 电信端口电压法测试布置示意图
R 测量仪器如何选择
为了保证150欧姆的对地阻抗,不同的线缆类型(线对),需要选择不同种类的ISN,我们在选购、使用时需要进行区分。
对于1对非屏蔽平衡线(如xDSL)可采用图2结构的ISN进行电信端口传导骚扰电压的测量。

图2 用于1对非屏蔽平衡线的ISN
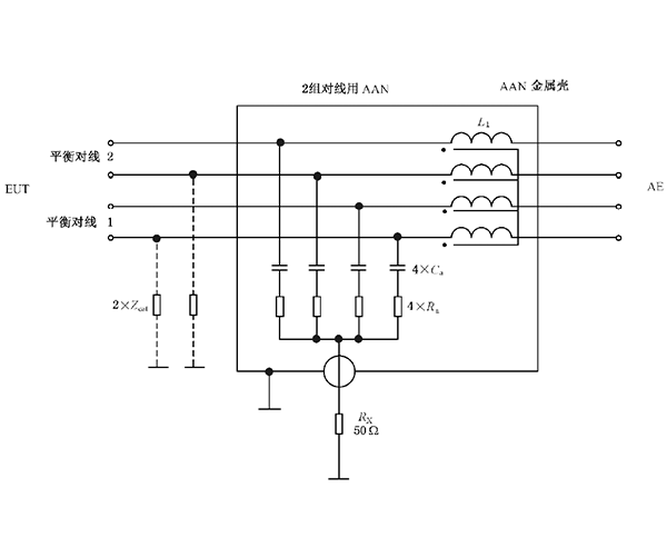
对于2对非屏蔽平衡线(如FXS),可采用图3、图4结构的ISN进行电信端口传导骚扰电压的测量。因耦合阻抗的不同,图3、图4有着不同的分压系数,其中图3结构ISN分压系数为34dB,图4结构ISN分压系数为9.5dB。
Ca=33 nF
Ra=576Ω
Rb=6Ω
Rc=44Ω
L1=4x7mH

图3 用于2对非屏蔽平衡线的ISN (分压系数=34dB)
Ca=33 nF
Ra=400Ω
L1=4x7mH

图4 用于2对非屏蔽平衡线的ISN (分压系数=9.5dB)
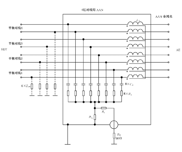
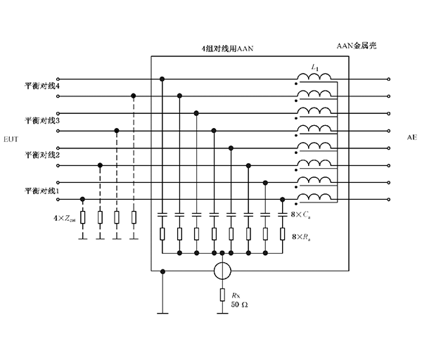
对于4对非屏蔽平衡线(如UTP5),可采用图5、图6结构的ISN进行电信端口传导骚扰电压的测量。因耦合阻抗的不同,图5、图6有着不同的分压系数,其中图5结构ISN分压系数为34dB,图6结构ISN分压系数为9.5dB。
Ca=33 nF
Ra=1152Ω
Rb=6Ω
Rc=44Ω
L1=8x7mH

图5 用于4对非屏蔽平衡线的ISN (分压系数=34dB)
Ca=33 nF
Ra=800Ω
L1=8x7mH

图6 用于4对非屏蔽平衡线的ISN (分压系数=9.5dB)
除了上述结构的ISN之外,可采用图7高LCL结构的ISN进行多对非屏蔽平衡线电信端口的测量,此种类型的ISN可兼顾1对~4对平衡线的测量,也是当今最主流的ISN。
C=82 nF
Rd=390Ω

图7 用于1对、2对、3对、4对非屏蔽平衡线的ISN (分压系数=9.5dB)
对于屏蔽电缆,目前有两种类型的ISN,如图8的同轴电缆ISN,和图9所示的多芯屏蔽电缆ISN。

图8 用于同轴电缆的ISN(分压系数=9.5dB)
L1=(n+1)x7mH,n为信号线数目

图9 用于多芯屏蔽电缆的ISN(分压系数=9.5dB)
R 测量仪器ISN技术规格要求
为了保证测量结果的可重复性,标准对ISN性能有如下要求:
a. ISN的分压系数需要满足标准要求,9.5dB或34dB
b. 测量频率范围内具有150欧姆共模阻抗
c. AE端需要有足够的隔离系数
2.2 电流法
R 电流法适用于哪些线缆
电流法通常适用于屏蔽电缆
R 测试方法简述
屏蔽层与GRP通过150欧姆电阻连接,连接线长度不大于30cm。靠近AE端使用铁氧体以提供足够大的共模阻抗。在距离连接点10cm处用电流探头进行电流测量,电流探头把磁场转化成相应的电压信号,传输至接收机,测量软件通过电流探头转换系数将接收到的电压转换为电流,即可得到不同频率上干扰电流的幅度值。最终测量值与电流限值比较,判断是否符合标准法规要求。
计算公式如下:
I=U+ F
式中:
I为干扰电流,单位为dBuA;
U为端口电压,单位为dBuV;
F为电流探头转换系数,单位为dB/Ω。
R 试验布置
1-台式设备40cm,立式设备不大于15cm
2-AE距离GRP距离不做硬性规定

图10 电信端口电流法测试布置示意图
R 电流探头的技术规格要求
a. 要有足够的测量带宽,即-3dB带宽
b. 插入阻抗不大于1欧姆
2.3 电流、电压法
R 适用于哪些线缆
电流电压法适用于对于没有合适ISN的非屏蔽平衡线、非屏蔽非平衡线
R 测试方法
同时使用容性电压探头和电流探头进行电压、电流值的测量。电流测量值与电流限值进行比较,电压测量值减去电流裕量(电流裕量小于6dB)或电压测量值减去6dB(电流裕量大于6dB),调整后的电压测量值与电压限值进行比较。电流、电压值须同时满足电流和电压限值。
R 试验布置
1-台式设备40cm,立式设备不大于15cm
2-AE距离GRP距离不做硬性规定

图11 电信端口电流电压法测试布置示意图
R 测量仪器技术规格要求
电流探头
a. 要有足够的测量带宽,即-3dB带宽
b. 插入阻抗不大于1欧姆
容性电压探头
a. 与受试电缆之间的电容小于10pF
b. 典型分压系数34dB
c. 足够的测量口径
d. 良好的抗干扰能力
3 一幅图归纳电信端口传导骚扰测量方法
骚扰电压(或电流)限值是在150欧姆共模阻抗基础上定义。因此,统一标准的共模阻抗对测试结果的重现性及其重要。一般来说,如果不使用ISN,那么从EUT向AE端看去共模阻抗是不确定的,但并不是所有的类型的线缆都有合适的ISN使用,因此在没有合适的ISN时,需要使用非侵入法进行试验,即电流、电压法。

4 一张图汇总电信端口传导骚扰各种测量方法的优缺点
不同类型的电缆需要使用不同的试验方法,同种电缆也可能会有多种试验方法进行选择,我们可根据实际线缆类型对试验方法做恰当选择。

长沙容测电子股份有限公司致力于电磁兼容测试设备的研发以及电磁兼容测试技术的推广普及,全力为客户提供专业的EMC测试产品和解决方案。
我们的产品:
民用领域:静电放电发生器、脉冲群发生器、雷击浪涌发生器、射频传导抗干扰测试系统、工频磁场发生器、脉冲磁场发生器、阻尼振荡磁场发生器、交流电压跌落发生器、振铃波发生器、共模传导抗扰度测试系统、阻尼振荡波发生器、直流电压跌落发生器等
汽车领域:静电放电发生器、7637测试系统、汽车电子可编程电源、瞬态发射开关测量、汽车线束微中断发生器、BCI大电流注入测试系统、EMI接收机、辐射抗扰度测试系统、低频磁场抗扰度测试系统、射频辐射抗扰度测试系统等
军工领域:静电放电发生器、低频传导抗扰度测试系统、尖峰脉冲发生器、电缆束注入测试系统、快速方波测试系统、高速阻尼振荡测试系统等
