EMC主要是通过测试产品在电磁方面的干扰大小和抗干扰能力的综合评定,是产品在质量安全认证重要的指标之一。很多产品在做产品安全认证时都会遇到产品测试不合格的情况,尤其是在电磁兼容测试(即EMC测试)出错频率更是普遍。当产品一旦测试不合格,那么随之而来的肯定是EMC整改通知书。在EMC整改过程中很多管理人和技术人员并不太明白该从何处入手,今天我们就来分析EMC整改常遇到的问题和一些整改建议。
首先我们来从EMC测试项目构成说起,EMC主要包含两大项:EMI(干扰)和EMS(产品抗干扰和敏感度)。当然这两大项中又包括许多小项目,EMI主要测试项:RE(产品辐射,发射)、CE(产品传导干扰)、Harmonic(谐波)、Ficker(闪烁)。EMS主要测试项:ESD(产品静电)、EFT(瞬态脉冲干扰)、DIP(电压跌落)、CS(传导抗干扰)、RS(辐射抗干扰)、Surge(雷击)、PMS(磁场抗扰)。通过这些测试项目我们不难看出EMC测试主要围绕产品的电磁干扰和敏感度两部分,如果一旦产品不符合安全认证标准需要EMC整改的时候我们可以通过降低其材料和零部件进行整改。
一、EMC整改意见:
1、在拿到整改意见书以后,需要提前定位好EMC整改计划。没有定位好计划就去盲目的整改产品就像无头的苍蝇一样到处乱动,这样只会增加整改的成本。
2、定位手段,对于这里小编觉得主要可以分为两点。第一:直觉判断,需要完全依托工程师的直觉和经验来进行判断。第二:比较测试,根据测试仪器所提供的数据来进行分析问题。
二、EMC整改流程:
1、RE超标整改流程:

2、电线电缆超标整改流程:

3、信号电缆整改流程:

4、屏蔽体泄漏整改流程:

三、EMC整改的一些小建议
1、电容的滤波作用

即频率f越大,电容的阻抗Z越小。
当低频时,电容C由于阻抗Z比较大,有用信号可以顺利通过;
当高频时,电容C由于阻抗Z已经很小了,相当于把高频噪声短路到GND上去了。
2、电容滤波在何时会失效
整改中常常会使用电容这种元器件进行滤波,往往有“大电容滤低频,小电容滤高频”的说法。
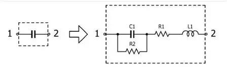
以常见的表贴式MLCC陶瓷电容为例,进行等效模型如下:

容值10nF,封装0603的X7R陶瓷的模型参数如下:

由于等效模型中既有电容C,也有电感L,组成了二阶系统,就存在不稳定性。对电路回路来说,就是会发生谐振,谐振点在如下频率处:

下图是谐振曲线的示例:

即常说的在谐振点前是电容,谐振点之后就不再是电容了。
3、LC滤波何时使用
如果串联电感L,再并联组成C,就形成了LC滤波:

单独一个电容C是一阶系统,单独一个电感L也是一阶系统,在幅值衰减斜率是-20dB。但LC组成的二阶系统,幅值衰减斜率是-40dB,更靠近理想的“立陡”的截止频率的效果,即滤波效果更好。

4、PWM频率到底是多少
往往提到PWM,比如会说用20kHz PWM驱动电机等。但实际上,这个20kHz仅代表PWM的脉冲周期是50us:

那么所谓的20kHz PWM在频域上的频率点落在哪里呢,如下公式:

对于阶跃信号来说,由于上升时间tr无穷小,则频率f无穷大。当频率高了之后,寄生参数则不能在忽略,会引发很多谐振的问题。
从信号上来看,就是很陡峭的阶跃信号会有过冲和振荡的问题。简单来说就是频率f越大,则噪声所占的频率就会越宽泛,即EMC特性就会越差。
5、如何将原理图和PCB对应起来
由于细分工种的问题,原理图和PCB被割裂开来,由两组人进行分工作业:

例如在原理图上有如下的电路:

其隐含一个问题就是在PCB上其实V1的负极和C1的负极是有一条线(PCB layout工具软件中用的词比较准确,Trace,踪迹/轨迹)。
往往在设计阶段A->B->C是都会关注的。如果EMC出现问题,除了要在原理图上查找电路参数的问题,还需要特别关注C->D,即回流路径。

如果回流路径不顺畅,会造成信号的畸变:

比如在EMC试验时,MCU的ADC采集到的信号被干扰到了,则除了在原理图上分析外,在PCB上讲该信号高亮出来,然后再耐心寻找该信号的回流路径是否有不顺畅的地方:

对着信号线头脑中想象回流路径,有点意识流的感觉。
6、总结

长沙容测电子有限公司致力于电磁兼容测试设备的研发以及电磁兼容测试技术的推广普及,全力为客户提供专业的EMC测试产品和解决方案。emc测试设备主要有:军工EMC测试设备,新能源汽车EMC测试设备,48V汽车电子可编程电源,汽车电气性能测试设备,BCI大电流注入,群脉冲发生器,雷击浪涌发生器,阻尼振荡波测试仪,静电放电发生器,电压跌落发生器等。
